Vážení zákazníci, počas veľkonočných sviatkov budú naše prevádzky zatvorené. Ďakujeme za pochopenie.
Skryť sortiment Sortiment
Kontakty

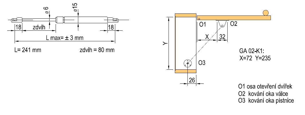
STRONG plynový piest 24mm/80N strieborný bez príchytu na dvierko

Kód sortimentu 15582
Produkt je vypredaný
Značka
Strong
Jednotka (MJ)
ks
Rozbaliteľnosť
1 ks
Balenie
100 ks
Popis a parametre

Zdvihací piest dvierok, farba strieborná. Dĺžka 244mm, nosnosť 80N(8kg). Súčasťou je iba príchyt do korpusu, nie príchyt na dvierko.

Do vypredania zásob

Súvisiace dokumenty

Montážny návod

Parametre

Parameter Hodnota
Farba Sivá
Prevedenie Automatické
Typ čela Neuvedené
Výška korpusu (mm) 300 - 550