Skryť sortiment Sortiment
Kontakty

MILADESIGN stolová noha centrálna ST855NT SDE čierna

Kód sortimentu 268179
Základná cena za ks
107,47 EUR 132,18 EUR s DPH
Na objednávku
Kúpiť
Značka
Mila Design
Kód skupiny
108006
Jednotka (MJ)
ks
Rozbaliteľnosť
54 ks
Balenie
54 ks
Popis a parametre

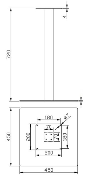
Stol. noha centr. ST 855NT SDE čierna
centrálna podnož štvorcová (spodný diel 450x450x6 mm, profil nohy 70x70 mm)
farba RAL 9005
pre dosky max. 800x800 alebo priem. 900
rozmery: 450x450x730H, váha 13,2 kg
Pre hrúbku stolovej dosky maximálne20 - 25 mm

Skladom len na centrálnom sklade

Súvisiace dokumenty

Technický popis

Parametre

Parameter Hodnota
Farba Čierna
Rektifikácia Nie
Tvar nohy Hranatá
Tvar základne Štvorcová
Výška (mm) 715

Naposledy navštívené